ホーム > 紙の取り扱い > 原稿のセット > 読み取りできない範囲

読み取りできない範囲

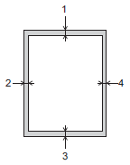
読み取りできない範囲は、お使いのアプリケーションの設定によって異なります。下記の数字は、代表的な読み取りできない範囲です。
画像

使用状況

原稿サイズ

上部(1)

下部(3)

左(2)

右(4)

ファクス *1

A4

3mm

3mm *2

USレター

4mm

リーガル

コピー

全用紙サイズ

3mm

3mm

スキャン

1mm

1mm

*1
MFC-J742DN/MFC-J742DWN/MFC-J908N/MFC-J943DN/MFC-J943DWN/MFC-J4450N/MFC-J4950DNのみ
*2
ADF(自動原稿送り装置)をお使いの場合、読み取りできない範囲は1mmです。
このページは役にたちましたか?